FX系列通訊網路介面模組

 產品型號 


FX3U FX3G FX3S
輸出入增設 定位介面模組 高速計數介面模組
類比介面模組 通訊網路介面模組 FX系列選配件

 

三菱電機FX系列PLC 通訊.網路模組

 1-1. 標準RS-232通訊介面 

►機能擴充板(Expansion Function Board)

型名 通訊機能 CAD檔 適用PLC

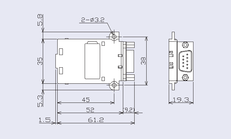
FX3G-232-BD
MC通訊協定
無規約通訊
規劃軟體通訊
2D FX3S(最多1台)
FX3G,FX3GE,FX3GA(最多1~2台)*1

FX3U-232-BD
MC通訊協定
無規約通訊
規劃軟體通訊
2D FX3U(最多1台)
FX3UC-32MT-LT(-2)(最多1台)

 

►特殊連接器(Special Adapter)

型名 通訊機能 CAD檔 適用PLC

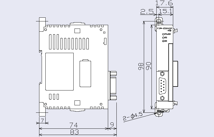
FX3U-232ADP-MB
MC通訊協定
無規約通訊
Modbus通信
規劃軟體通訊
2D FX3S(最多1台)*3
FX3G,FX3GE,FX3GA (最多1~2台)*1*3*5
FX3GC(最多2台)*5
FX3U*4*5
FX3UC*5

 

►擴充模組(Expansion Unit)

型名 通訊機能 CAD檔 適用PLC

FX2N-232IF
無規約通訊 2D FX3U(最多8台)
FX3UC(最多1台)*5

*1 14/24點主機為1台,40/60點主機為2台。
*2 需要搭配FX1N-CNV-BD機能擴充板。
*3 連接FX3S/FX3G時,另需搭配FX3G-CNV-ADP連接器。
*4 連接FX3U時,另需搭配機能擴充板。
*5 連接FX3UC時,另需搭配FX2N-CNV-IF 或 FX3UC-1PS-5V轉換介面。

^回到Top^

 1-2. RS-422通訊(程式規劃用)介面 

►機能擴充板(Expansion Function Board)

型名 通訊機能 CAD檔 適用PLC

FX3G-422-BD
規劃軟體通訊 2D FX3S(最多1台)
FX3G,FX3GE,FX3GA(最多1~2台)*1

FX3U-422-BD
規劃軟體通訊 2D FX3U(最多1台)
FX3UC-32MT-LT(-2)(最多1台)

*1 14/24點主機為1台,40/60點主機為2台。

^回到Top^

 1-3. 標準RS-422/485通訊介面 

►機能擴充板(Expansion Function Board)

型名 通訊機能 CAD檔 適用PLC

FX3G-485-BD
N:N連結
並列連結
MC通訊協定
無規約通訊
2D FX3S(最多1台)
FX3G,FX3GE,FX3GA(最多1~2台)*1

FX3G-485-BD-RJ
2D

FX3U-485-BD  (半雙工)
FX3U-485-BD-2(全雙工)
N:N連結
並列連結
MC通訊協定
無規約通訊
2D FX3U(最多1台)
FX3UC-32MT-LT(-2)(最多1台)

 

►特殊連接器(Special Adapter)

型名 通訊機能 CAD檔 適用PLC

FX3U-485ADP-MB
N:N連結
並列連結
MC通訊協定
無規約通訊
Modbus通信
2D FX3S(最多1台)*3
FX3G,FX3GE,FX3GA (最多1~2台)*1*3*5
FX3GC(最多2台)*5
FX3U*4*5
FX3UC*5

*1 14/24點主機為1台,40/60點主機為2台。
*2 需要搭配FX1N-CNV-BD機能擴充板。
*3 連接FX3G時,另需搭配FX3G-CNV-ADP連接器。
*4 連接FX3U時,另需搭配機能擴充板。
*5 只能1台指定為Modbus通訊機能。
♦相關產品: RS-485/422避雷器

^回到Top^

 1-4. USB通訊(程式規劃用)介面 

►機能擴充板(Expansion Function Board)

型名 通訊機能 CAD檔 適用PLC

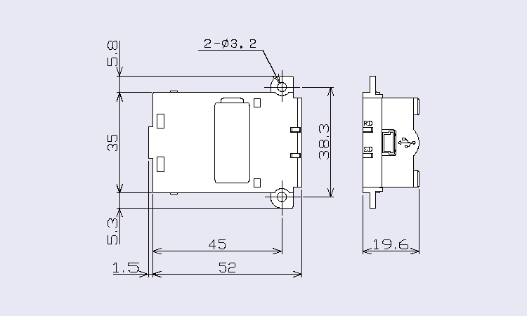
FX3U-USB-BD
規劃軟體通訊 2D FX3U(最多1台)
FX3UC-32MT-LT(-2)(最多1台)

^回到Top^

 1-5. 標準乙太網路通訊介面 

►特殊連接器(Special Adapter)

型名 CAD檔 適用PLC

FX3U-ENET-ADP
2D FX3S(最多1台)*1
FX3G,FX3GA (最多1)*1
FX3GC(最多1台)
FX3U(最多1台)*2
FX3UC(最多1台)

 

►擴充模組(Expansion Unit)

型名 CAD檔 適用PLC

FX3U-ENET-L
2D FX3U(最多1台)
FX3UC(最多1台)*3

*1 連接FX3S/FX3G時,另需搭配FX3G-CNV-ADP連接器。
*2 連接FX3U時,另需搭配機能擴充板。
*3 連接FX3UC時,另需搭配FX2N-CNV-IF 或 FX3UC-1PS-5V轉換介面。
♦相關產品:  Ethernet用避雷器    防雷EtherNet Switch HUB

^回到Top^

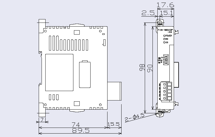
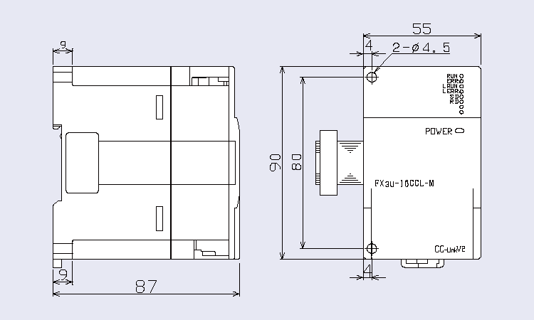
 1-6. CC-Link網路通訊介面 

►擴充模組(Expansion Unit)

型名 Master機能 Remote/Slave機能 距離 CAD檔 適用PLC

FX3U-16CCL-M
(主局模組)
O X 最長1200m 2D FX3G,FX3GE,FX3GA (最多1台)
FX3GC(最多1台)*1
FX3U(最多1台)
FX3UC(最多1台)*1

FX2N-32CCL
(Remote Device局)
X O 最長1200m 2D FX3G,FX3GE,FX3GA
FX3GC*1
FX3U
FX3UC*1

FX3U-64CCL
(Intelligent Device局)
X O 最長1200m 2D FX3G,FX3GE,FX3GA (最多1台)
FX3GC(最多1台)*1
FX3U(最多1台)
FX3UC(最多1台)*1

*1 連接FX3GC/FX3UC時,另需搭配FX2N-CNV-IF 或 FX3UC-1PS-5V轉換介面。

♦相關產品:  CC-Link避雷器   

^回到Top^

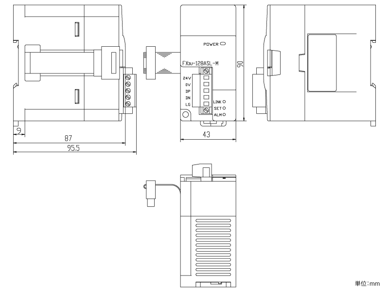
 1-7. AnyWire網路介面 

►擴充模組(Expansion Unit)

類型 型名 CAD檔 適用PLC
Bitty網路模組
FX3U-128BTY-M
2D FX3G,FX3GE,FX3GA (最多1台)
FX3GC(最多1台)*1
FX3U(最多1台)
FX3UC(最多1台)*1
ASLINK網路模組
FX3U-128ASL-M
2D FX3G,FX3GE,FX3GA (最多1台)
FX3GC(最多1台)*1
FX3U(最多1台)
FX3UC(最多1台)*1

*1 連接FX3GC/FX3UC時,另需搭配FX2N-CNV-IF 或 FX3UC-1PS-5V轉換介面。

^回到Top^

 

 產品說明 


N:N連結為一種三菱FX系列PLC專用的小型網路.
特色如下:
1) 最多可連結8台FX系列PLC,只要透過簡單的程式,即可達到各站資料互傳的需求.
2) 各站PLC的位元元件(0~64點)及字元元件(4~8點),將自動的更新傳送,方便讀取其它站的ON/OFF狀態及資料暫存器的數值.

系統構成:

性能規格:

項目 規格
傳送規格 RS-485標準
總延長距離 全部採用特殊機能連接器構成時:500米
擴充機能板採用時:50米
通訊方式/傳送速度 半雙工雙方向/ 38400bps
連接台數 最多8台
連結點數 種類0
(Pattern 0)
位元型元件:0點,字元型元件:4點(FX1SFX1NFX1NCFX3GFX3GA、FX3GE、FX3GCFX3UFX3GC)
(系統構成中若含有FX1S系列PLC,則僅適用Pattern 0)
種類1
(Pattern 1)
位元型元件:32點,字元型元件:4點(FX1N、FX1NC、FX3G、FX3GA、FX3GEFX3GCFX3UFX3GC)
種類2
(Pattern 2)
位元型元件:64點,字元型元件:8點(FX1N、FX1NC、FX3G、FX3GA、FX3GEFX3GCFX3UFX3GC)
PLC連接組合 FX1S/FX1N FX1N-485-BD 或 FX1N-CNV-BD + FX2NC-485ADP
FX3G(A)(E) FX3G-485-BD 或 FX3G-CNV-ADP + FX3U-485ADP-MB
FX3GC FX3U-485ADP-MB
FX3U FX3U-485-BD 或 擴充機能板+ FX3U-485ADP-MB
FX3UC FX3U-485ADP-MB

 

並列連結是一種三菱FX系列PLC專用的小型網路.
特色如下:
1) 將2台FX系列PLC連接後,只要簡單的親局/子局指定程式,即可進行資料連結.
2) 各站PLC的位元元件(50~100點)及字元元件(10點)將自動更新,方便讀取另一站的ON/OFF狀態及資料暫存器的數值.

系統構成:

性能規格:

項目 規格
傳送規格 RS-485標準
總延長距離 全部採用特殊機能連接器構成時:500米
擴充機能板採用時:50米
通訊方式/傳送速度 半雙工雙方向/ 19200、115200bps(FX3G(A)(E)、FX3GC、FX3U、FX3UC)
連接台數 1:1
連結點數 FX1S [親►子]:
位元型元件: 50點,字元型元件:10點(高速模式時字元元件:2點)
[子►親]:
位元型元件: 50點,字元型元件:10點(高速模式時字元元件:2點)
FX1N,FX1NC,
FX3G,FX3GC,
FX3U,FX3UC
[親►子]:
位元型元件: 100點,字元型元件:10點(高速模式時字元元件:2點)
[子►親]:
位元型元件: 100點,字元型元件:10點(高速模式時字元元件:2點)
可連接PLC組合 • [FX1S 與 FX1S]
• [FX1N/FX1NC 與 FX1N/FX1NC]
• [FX3G/FX3GC 與 FX3G/FX3GC ]
• [FX3U/FX3UC 與 FX3U/FX3UC ]
PLC連接組合 FX1S/FX1N FX1N-485-BD 或 FX1N-CNV-BD + FX2NC-485ADP
FX3G(A)(E) FX3G-485-BD 或 FX3G-CNV-ADP + FX3U-485ADP-MB
FX3GC FX3U-485ADP-MB
FX3U FX3U-485-BD 或 擴充機能板+ FX3U-485ADP-MB
FX3UC FX3U-485ADP-MB

 

N:N連結為一種三菱FX系列PLC專用的小型網路.
MC通訊協定(Mitsubishi Communication Protocol)是三菱制定公開的一種標準通訊協定,任何外部的設備或電腦,只要透過這個通訊協定,即可讀/寫PLC內部的資料.
特色如下:
1) 外部設備或電腦採RS-485連線方式,最多可連結16台FX系列連結.採RS-232時,可以1:1連結進行資料的傳送.
2) 支援與三菱A系列相同的MC通訊協定(Format 1 及Format 4).

系統構成:
1) 採RS-485(或RS-422) 1:N連線時:

2) 採RS-232C 1:1連線時:

性能規格:

項目 規格
傳送規格 RS-485(RS-422)或RS-232C標準
總延長距離 RS-485 全部採用特殊機能連接器構成時:500米
擴充機能板採用時:50米
RS-232C 15米
通訊方式 半雙工雙方向 (FX3U-485-BD-2、FX3U-232ADP-MB為全雙工雙方向)
傳送速度 300/600/1200/2400/4800/9600/19200/38400*1 bps
連接台數 RS-485連線時:最多16台,RS-232C連線時:1台
通訊協定 MELSC-A電腦連結MC通訊協定(Format 1 及Format 4)
RS-485
(RS-422)
PLC連接組合
FX1S/FX1N FX1N-485-BD 或 FX1N-CNV-BD + FX2NC-485ADP
FX3G FX3G-485-BD 或 FX3G-CNV-ADP + FX3U-485ADP-MB
FX3GC FX3U-485ADP-MB
FX3U FX3U-485-BD 或 擴充機能板+ FX3U-485ADP-MB
FX3UC FX3U-485ADP-MB
RS-232C
PLC連接組合
FX1S/FX1N FX1N-232-BD 或 FX1N-CNV-BD + FX2NC-232ADP
FX3G FX3G-232-BD 或 FX3G-CNV-ADP + FX3U-232ADP-MB
FX3GC FX3U-232ADP-MB
FX3U FX3U-232-BD 或 擴充機能板+ FX3U-232ADP-MB
FX3UC FX3U-232ADP-MB

*1 FX3U/FX3UC為Ver.2.41以後版本38400 bps對應

具有RS-232C/RS485(RS-422)介面的印表機、條碼機、計量器、溫控計、流量計等各種儀表,只要透過簡單的通訊程式,即可利用此種方式來讀取/設定資料.

系統構成:

性能規格:

項目 規格
傳送規格 RS-485(RS-422)或RS-232C標準
總延長距離 RS-485 全部採用特殊機能連接器構成時:500米
擴充機能板採用時:50米
RS-232C 15米
通訊方式 半雙工雙方向 (FX3U-485-BD-2、FX3U-232ADP-MB為全雙工雙方向)
傳送速度 300/600/1200/2400/4800/9600/19200/38400 bps
連接台數 RS-485連線時:無限制,RS-232C連線時:1台
RS-485
(RS-422)
PLC連接組合
FX1S/FX1N FX1N-485-BD 或 FX1N-CNV-BD + FX2NC-485ADP
FX3G FX3G-485-BD 或 FX3G-CNV-ADP + FX3U-485ADP-MB
FX3GC FX3U-485ADP-MB
FX3U FX3U-485-BD 或 擴充機能板+ FX3U-485ADP-MB
FX3UC FX3U-485ADP-MB
RS-232C
PLC連接組合
FX1S/FX1N FX1N-232-BD 或 FX1N-CNV-BD + FX2NC-232ADP
FX3G FX3G-232-BD 或 FX3G-CNV-ADP + FX3U-232ADP-MB
FX3GC FX3U-232ADP-MB
FX3U FX3U-232-BD 或 擴充機能板+ FX3U-232ADP-MB
FX3UC FX3U-232ADP-MB

 

程式規劃軟體通訊協定(Programming Protocol)是三菱程式編輯軟體(GX Developer / GX Works2)、三菱人機介面或其它三菱軟體專用的通訊協定,透過RS-422/USB/RS232C介面,即可進行讀取/監視/強制/診斷等操作.

系統構成:


乙太網路通訊機能不再是中大型PLC特有的機能了!
FX3系列PLC支援乙太網路通訊,現場機台的控制器更方便整合於廠務監控系統中,達到高速監控的目的.

系統構成:

CC-Link網路是新一代FA設備連線用的一種開放型網路,可以大大的節省現瑒施工的配線成本及時間,並強化現場擴充的彈性,與維護的便利性.目前已有大量的廠商所製造的產品,都能支援CC-Link網路.
CC-Link網路的通訊速度可高達10Mbps,具有自動復歸機能,子局離線機能,大大提高網路連結的安全性,故不會因為其中一站的異常而影響整體網路的通訊.
連接遠端局性質可以區分為下列種類:

1.Remote I/O局:一般的DI或DO模組.
相關三菱產品 / 相關M-SYSTEM產品
2.Remote device局:如類比/溫度/定位模組,或變頻器/伺服/計量器/溫控器等連接.
相關三菱產品 / 相關M-SYSTEM產品
3.Local / Intelligent device局:如PLC站或通訊模組等連接.
相關三菱產品

系統構成:
(一) Q系列PLC做為主局時:

FX系列適用模組:FX2N-32CCL(Remote I/O局),FX3U-64CCL(Remote device局)

(二) FX3系列PLC做為主局時:

FX系列適用模組:FX3U-16CCL-M(Master局),FX2N-32CCL(Remote I/O局)

Modbus是一種串列通訊協定,是Modicon於1979年發表,現今已經成為工業領域常見的通訊協定.
FX3系列PLC可以搭載Modbus通訊模組,具Modbus RTU或Modbus ASCII兩種通訊協定,可做為Master或Slave局,方便連接上位元控制器或其它工業儀表,進行資料的傳遞.

系統構成:

性能規格:

項目 規格
PLC允許連接台數(Channels) 1台(Channels),可以是Master局或Slave局
通訊規格 傳送規格 RS-232C RS-485(RS-422)
通訊方式 全雙工雙方向 半雙工雙方向
傳送速度 300/600/1200/2400/4800/9600/19200/38400*1
/57600*1/115200*1 bps
資料長度 FX3U/FX3UC:7位元或8位元
FX3G/FX3GC:8位元
停止位元 1位元或2位元
傳輸距離 最長15米 最長500米
通訊協定 RTU 或 ASCII
Master機能 Slave數量 1 Slave 16 Slaves
32 Slaves
*1
支援Function數量 FX3U/FX3UC:14(+14診斷Function)
FX3G/FX3GC:8(無診斷Function)
同時可執行命令數 1命令
最多寫入資料 123 words 或 1968 coils
最多讀取資料 125 words 或 2000 coils
Slave機能 支援Function數量 FX3U/FX3UC:14(+14診斷Function)
FX3G/FX3GC:8(無診斷Function)
同時可回應信息數 1
站號 1~247
連接PLC組合 FX3S FX3S-CNV-ADP
+FX3U-232ADP-MB
FX3S-CNV-ADP
+FX3U-485ADP-MB
FX3G FX3G-CNV-ADP
+FX3U-232ADP-MB
FX3G-CNV-ADP
+FX3U-485ADP-MB
FX3GC FX3U-232ADP-MB FX3U-485ADP-MB
FX3U 擴充機能板
+FX3U-232ADP-MB
擴充機能板
+FX3U-485ADP-MB
FX3UC FX3U-232ADP-MB FX3U-485ADP-MB

*1 產品序號:127****以後版本支援.

三菱電機致力於推廣開放式網路系統「CC-Link」, 現今更引進感測器網路領導製造廠「AnyWire」的加入,完成了從電腦管理層級生產計劃到現場層級生產設備的網路整合系統。
※ 2010年5月,AnyWire 成為三菱電機的集團公司之一。
Bitty 系列採用電源、信號重疊2線式,達到省配線的訴求。
現今產品在少量多樣的生產模式下,面對日益加的零件與庫存項目,AnyWire提供了可以快速且正確的揀料系統「Pokayoke」系統,降低失誤率及作業成本。  


 

 

FX3U FX3G FX3S
輸出入增設 定位介面模組 高速計數介面模組
類比介面模組 通訊網路介面模組 FX系列選配件
TOP